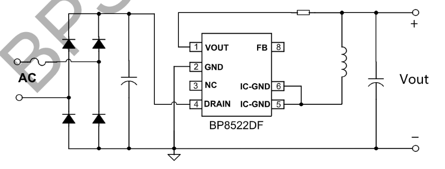
集成 VCC电容、续流二极管和反馈二极管集成 550V 高压 MOSFET集成高压启动和自供电电路
内置软启动功效低待机功耗 50mW@230Vac
多模式控制手艺
优异的动态响应和输出电压纹波体现
优异的负载调解率和线性调解率