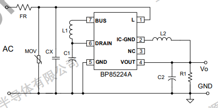
¼¯³É 1600V ÕûÁ÷¶þ¼«¹Ü
¼¯³É VCC µçÈÝ¡¢ÐøÁ÷¶þ¼«¹ÜºÍ·´À¡¶þ¼«¹Ü
ÄÚ²¿¼¯³É 650V ¸ßѹ MOSFET
¼¯³É¸ßѹÆô¶¯ºÍ×Ô¹©µçµç·
µÍ´ý»ú¹¦ºÄ 50mW@230Vac
Àο¿ 5V Êä³ö
ÓÅÒìµÄ¶¯Ì¬ÏìÓ¦ËÙÂÊ£¬Êä³öµçÑ¹ÎÆ²¨Ð¡
| ÎĵµÀàÐÍ | ÎÊÌâ | ÀàÐÍ | ÎļþÏÂÔØ |
| ¹æ¸ñÊé | BP85224A | ÍêÕû°æ |



