µÂÓ®VWIN

µÂÓ®¡¤(VWIN)¹Ù·½ÍøÕ¾-ACÃ×À¼¹Ù·½ÏàÖúͬ°é Ä¿½ñλÖ㺠Ê×Ò³ ²úÆ·ÖÐÐÄ>AC/DCµçÔ´ÖÎÀíоƬ>¸ôÀëµçÔ´>SRͬ²½ÕûÁ÷
¼òÊö
BP6211BS ÊÇÒ»¿î¸ß¼¯³É¶È¡¢¡¢¡¢¸ßÐÔÄÜ¡¢¡¢¡¢×Ô¹©µçµÄͬ²½ÕûÁ÷¿ØÖÆÐ¾Æ¬£¬£¬£¬ÄÚÖù¦ÂÊ MOSFET£¬£¬£¬Ö§³ÖCCM¡¢¡¢¡¢DCMºÍ OR ÊÂÇéģʽ:ÊÊÓÃÓÚ¸ßЧÂÊ¡¢¡¢¡¢¸ß¹¦ÂÊÃܶȷ´¼¤±ä»»Æ÷Ó¦Óᣡ£¡ £¡£¡£ BP6211BS ½ÓÄÉÔ¤¹Ø¶ÏÊÂÇéģʽ£¬£¬£¬Çý¶¯µçѹƾ֤¹¦ÂÊ MOSFETѹ½µ×Ô˳Ӧµ÷½â£¬£¬£¬¼ÓÉϳ¬¶ÌµÄ¹Ø¶ÏÑÓʱºÍ¸ß´ï4AµÄÇý¶¯ÏÂÀ­µçÁ÷£¬£¬£¬Äܹ»ÊµÏÖ³¬¿ìµÄ¹Ø¶ÏËÙÂÊ£¬£¬£¬Ê¹µÃϵͳÄܿɿ¿ÊÂÇéÓÚCCM ģʽ¡£¡£¡ £¡£¡£ BP6211BS оƬÄÚ²¿Ê¹ÓÃÁËÕñÁå¼ì²âµç·£¬£¬£¬×èÖ¹ÁËÔÚDCMģʽÏÂÓÉÓÚ×ÔÓÉÕñµ´ÒýÆðÎó¿ªÍ¨¶øµ¼ÖµÄÊ״μ¶¹²Í¨ÎÊÌâ¡£¡£¡ £¡£¡£Í¬Ê±ÄÚÖÃÇ°ÑØÏûÒþʱ¼ä£¬£¬£¬¿ÉÒÔ·ÀÖ¹¼ÄÉúÕñµ´Îó´¥·¢MOSFETÌáǰ¹Ø¶Ï£¬£¬£¬´Ó¶ø°ü¹Üͬ²½ÕûÁ÷ÎȹÌÊÂÇé¡£¡£¡ £¡£¡£³¬¶ÌµÄ¿ªÍ¨ÑÓʱ¿ÉÒÔÔöÌíMOSFET µ¼Í¨Ê±¼äÒÔ»ñµÃ¾¡¿ÉÄܸߵÄЧÂÊ¡£¡£¡ £¡£¡£
ÓÅÊÆ

    ¼¯³É 60Vͬ²½ÕûÁ÷ MOSFET

    Ö§³Ö CCM/DCM/QR ÊÂÇéģʽ

    ×Ô˳ӦÇý¶¯µçѹ£¬£¬£¬³¬¿ì¹Ø¶ÏËÙÂÊ£¬£¬£¬·ÀÖ¹CCM ģʽ

    Ê״μ¶¹²Í¨

    ÄÚÖÃÕñÁå¼ì²â£¬£¬£¬·ÀÖ¹ DCM Îó¿ªÍ¨

    ¿ÉÓÃÓÚÕý¶ËºÍ¸º¶ËÕûÁ÷

    оƬ×Ô¹©µç£¬£¬£¬Õý¶ËÕûÁ÷ÎÞÐ踨Öú¹©µçÈÆ×é

Ó¦ÓÃÁìÓò
  • QC/USB-PD/¿É±à³Ì AC-DC ³äµçÆ÷
  • ¸ßЧÂʵçÔ´ÊÊÅäÆ÷
  • ¸ßЧÂÊ¡¢¡¢¡¢¸ß¹¦ÂÊÃܶȷ´¼¤±ä»»Æ÷
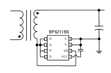
µä·¶Ó¦ÓÃÔ­Àíͼ
µÂÓ®¡¤(VWIN)¹Ù·½ÍøÕ¾-ACÃ×À¼¹Ù·½ÏàÖúͬ°é
·â×°
  • µÂÓ®¡¤(VWIN)¹Ù·½ÍøÕ¾-ACÃ×À¼¹Ù·½ÏàÖúͬ°é
ÊÖÒÕÎĵµ
ÎĵµÀàÐÍ ÎÊÌâ ÀàÐÍ ÎļþÏÂÔØ
¹æ¸ñÊé BP6211BS pdf ÍêÕû°æ
µÂÓ®¡¤(VWIN)¹Ù·½ÍøÕ¾-ACÃ×À¼¹Ù·½ÏàÖúͬ°é
µÂÓ®¡¤(VWIN)¹Ù·½ÍøÕ¾-ACÃ×À¼¹Ù·½ÏàÖúͬ°é
µÂÓ®¡¤(VWIN)¹Ù·½ÍøÕ¾-ACÃ×À¼¹Ù·½ÏàÖúͬ°é
µÂÓ®¡¤(VWIN)¹Ù·½ÍøÕ¾-ACÃ×À¼¹Ù·½ÏàÖúͬ°é
¡¾ÍøÕ¾µØÍ¼¡¿