德赢VWIN

德赢·(VWIN)官方网站-AC米兰官方相助同伴 目今位置: 首页 产品中心>LED照明驱动芯片>非调光>AC/DC非隔离低PF
简述
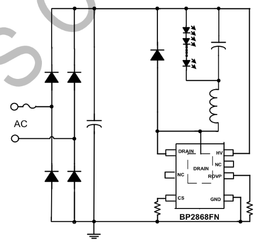
BP2868FN是一款高精度降压型LED(LED)恒流驱动芯片。芯片事情在电感电流临界连续模式,,适用85 Vac~265Vac全规模输入电压的非隔离降压型LED恒流电源。芯片ROVP引脚带启用(Enable)功效,,适用于开关调色和感应灯应用。 BP2868FN芯片内部集成500V功率开关,,接纳特有的退磁检测手艺和高压JFET供电手艺,,无需VCC电容和启动电阻,,使其外围器件更简朴,,节约了外围的本钱和体积。 BP2868FN 芯片内置高精度的电流采样电路,,实现高精度的 LED 恒流输出和优异的线电压调解率。芯片事情在电感电流临界模式,,输出电流不随电感量和 LED 事情电压的转变而转变,,实现优异的负载调解率。
优势

    OVP 抗滋扰能力强

    Enable 功效兼容开关调色和感应灯

    无 VCC 电容 、、无启动电阻

    集成高压供电功效

    外置防潮 OVP 功效

    低母线电压下不闪灯

应用领域
  • LED 蜡烛灯LED 球泡灯
  • 其它 LED 照明
典范应用原理图
德赢·(VWIN)官方网站-AC米兰官方相助同伴
封装
  • 德赢·(VWIN)官方网站-AC米兰官方相助同伴
手艺文档
文档类型 问题 类型 文件下载
规格书 BP2868FN pdf 完整版
德赢·(VWIN)官方网站-AC米兰官方相助同伴
德赢·(VWIN)官方网站-AC米兰官方相助同伴
德赢·(VWIN)官方网站-AC米兰官方相助同伴
德赢·(VWIN)官方网站-AC米兰官方相助同伴
【网站地图】