德赢VWIN

德赢·(VWIN)官方网站-AC米兰官方相助同伴 目今位置: 首页 产品中心>LED照明驱动芯片>非调光>线性恒流
简述
BP5218EC是一款无频闪的线性恒流LED控制芯片,,,集成磷七压 MOS 管和 JFET 高压供电功效。。主要用于高压输入的种种光源和灯具的驱动,,,能知足欧洲最新 ERP 标准。。由于不需要磁性元件,,,LED 驱动器可以实现小体积、、长寿命,,,并切合EM划定。。 BP5218EC 可以通过外部电阻准确的设定 LED电流,,,且内置线电压赔偿功效,,,从而提高线性调解率。。BP5218EC 具有高精度的过温调理功效。。当输入电压过高,或者 LED 电流过大时,此功效将降低输出电流。。
优势

    知足欧洲新 ERP 标准

    PF>0.5,,,无频闪

    内置线赔偿功效

    无需压敏,,,抗浪涌800V 以上

    外围电路很是简朴,,,驱动器体积很是小

    无需磁性元件

    超快 LED 启动

    士5% LED 输出电流精度

    LED 电流可外部设定

应用领域
  • GU10/E27 LED 球泡灯、、射灯
  • LED 蜡烛灯、、灯丝灯
  • 其它LED 照明
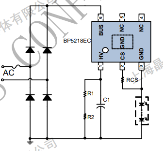
典范应用原理图
德赢·(VWIN)官方网站-AC米兰官方相助同伴
封装
  • 德赢·(VWIN)官方网站-AC米兰官方相助同伴
手艺文档
文档类型 问题 类型 文件下载
规格书 BP5218EC pdf 完整版
德赢·(VWIN)官方网站-AC米兰官方相助同伴
德赢·(VWIN)官方网站-AC米兰官方相助同伴
德赢·(VWIN)官方网站-AC米兰官方相助同伴
德赢·(VWIN)官方网站-AC米兰官方相助同伴
【网站地图】