µÂÓ®VWIN
ËÑË÷
怬
ÖÐÎÄ
Ó¢ÎÄ
Ê×Ò³
²úÆ·ÖÐÐÄ
DC/DCµçÔ´ÖÎÀíоƬ
¶àÏàÊý×Ö¿ØÖÆÆ÷
ÖÇÄܼ¯ÀÖ³ÉÂÊÆ÷¼þ
½µÑ¹×ª»»Æ÷POL
µç×Ó¿ª¹Ø/ÈȲå°Î¿ØÖÆ
AC/DCµçÔ´ÖÎÀíоƬ
·Ç¸ôÀëµçÔ´
¸ôÀëµçÔ´
LEDÕÕÃ÷Çý¶¯Ð¾Æ¬
·Çµ÷¹â
µ÷¹â
ÖÇÄÜÃæ°å
µç»ú¿ØÖÆÓëÇý¶¯Ð¾Æ¬
µç»úÇý¶¯
MCU
Ó¦ÓÃ
LEDÕÕÃ÷
ÖÇÄÜÕÕÃ÷
¸ßÐÔÄܵƾß
ͨÓùâÔ´
ፃ鵮
¸ßÐÔÄÜÅÌËãÓ¦ÓÃ
Server
DT
PC(NB/Desk PC/Ö÷°å)
VGA
Æû³µµç×Ó
Æû³µ·çÉÈ
³µÔØË®±Ã
³µÔØÑ¹Ëõ»ú¿ØÖÆ
¹¤ÒµÓ¦ÓÃ
Á½Âֵ綯³µ
°×É«¼Òµç
µç¶¯¹¤¾ß
·þÎñÆ÷·çÉÈ
ÏûºÄµç×Ó
¿ì³ä
Çå½àµçÆ÷
С¼Òµç
¸ßËÙ·çͲ
·þÎñÓëÖ§³Ö
ÏúÊÛÍøÂç
×Éѯ·þÎñ
Ñ¡ÐÍÖ¸ÄÏÏÂÔØ
Ͷ×ÊÕß¹ØÏµ
ÐÅÏ¢Åû¶
ESG±¨¸æ
¼ÓÈëµÂÓ®VWIN
Éç»áÕÐÆ¸
У԰ÕÐÆ¸
ʵϰÉúÕÐÆ¸
ÎÄ»¯¸£Àû
¾§ÐÇÍýÏë
¹ØÓÚµÂÓ®VWIN
µÂÓ®VWIN¼ò½é
ÐÂÎÅ×ÊѶ
·Ö×Ó¹«Ë¾
ÔÆÓξ§·á
DC/DCµçÔ´ÖÎÀíоƬ
¶àÏàÊý×Ö¿ØÖÆÆ÷
ÖÇÄܼ¯ÀÖ³ÉÂÊÆ÷¼þ
½µÑ¹×ª»»Æ÷POL
µç×Ó¿ª¹Ø/ÈȲå°Î¿ØÖÆ
AC/DCµçÔ´ÖÎÀíоƬ
·Ç¸ôÀëµçÔ´
¸ôÀëµçÔ´
SSR¹âñîÇý¶¯
SSR´ÅñîÇý¶¯
SRͬ²½ÕûÁ÷
PSR
LEDÕÕÃ÷Çý¶¯Ð¾Æ¬
·Çµ÷¹â
AC/DC·Ç¸ôÀëµÍPF
AC/DC·Ç¸ôÀë¸ßPF
AC/DC¸ôÀëµÍPF(Çý¶¯MOS)
AC/DC¸ôÀëµÍPF(Çý¶¯BJT)
AC/DC¸ôÀë¸ßPF
ÏßÐÔºãÁ÷
ÏßÐÔȥƵÉÁ
ºãѹºãÁ÷
Boost ºãѹºãÁ÷
¸¨ÖúµçÔ´
µ÷¹â
·Ç¸ôÀë PWMµ÷¹â
ÏßÐÔPWMµ÷¹â
DC-DC PWMµ÷¹â
¿ª¹Øµ÷¹âµ÷É«
PWMµ÷É«ÎÂ
0-10Vµ÷¹â
ÏßÐԿɿعèµ÷¹â
¿ª¹Ø¿É¿Ø¹èµ÷¹â
ÖÇÄÜÃæ°å
µ¥Ç°·½
µç»ú¿ØÖÆÓëÇý¶¯Ð¾Æ¬
µç»úÇý¶¯
MCU
Ä¿½ñλÖ㺣º£º
Ê×Ò³
²úÆ·ÖÐÐÄ
>LEDÕÕÃ÷Çý¶¯Ð¾Æ¬>
·Çµ÷¹â
>
¸¨ÖúµçÔ´
BP6526B
ÑùÆ·ÉêÇë
¼òÊö
ÓÅÊÆ
Ó¦ÓÃÁìÓò
µä·¶Ó¦ÓÃÔÀíͼ
·â×°
ÊÖÒÕÎĵµ
Ïà¹ØÎÄÕÂ
·µ»Ø
¼òÊö
BP6526B ÊÇÒ»¿î¸ßЧÖÇÄÜת»»Æ÷£¬£¬Àο¿Êä³öµçѹ5V¡£ µ±ÊäÈëµçѹ¹æÄ£ÔÚ 12~13V ʱ£¬£¬×î´óÊä³öµçÁ÷ 110mA¡£ µ±ÊäÈëµçѹ¹æÄ£ÔÚ 13~30V ʱ£¬£¬×î´óÊä³öµçÁ÷ 150mA¡£ BP6526B Ïà±È¹Å°åÏßÐÔ LDO ЧÂÊÏÔÖøÌáÉý¡£ ÍâΧÎÞÐè´¢Äܵç¸Ð£¬£¬ÓÐÀûÓÚÓÅ»¯ÏµÍ³Ìå»ýºÍ±¾Ç®¡£ BP6526B ¼¯³É¶àÖÖ±£»¤¹¦Ð§¡£
ÓÅÊÆ
ÊäÈëµçѹ 12-30V
Àο¿Êä³ö 5V
×î´óÊä³öµçÁ÷ 150mA
ÎÞÐè´¢Äܵç¸Ð
¸ÄÉÆ EMI ÐÔÄܵĶ¶ÆµÊÖÒÕ
±£»¤¹¦Ð§
Ó¦ÓÃÁìÓò
DC/DC ¸¨ÖúµçÔ´
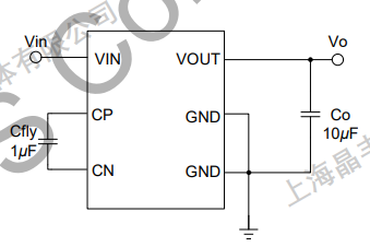
µä·¶Ó¦ÓÃÔÀíͼ
·â×°
ÊÖÒÕÎĵµ
ÎĵµÀàÐÍ
ÎÊÌâ
ÀàÐÍ
ÎļþÏÂÔØ
¹æ¸ñÊé
BP6526B
pdf
ÍêÕû°æ
×Éѯ
¡¾ÍøÕ¾µØÍ¼¡¿