优异的动态响应
直接采样输出电压
输出电压批量一致性抵达士5%以内
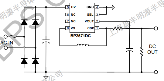
外围精简,,,电源体积小
无需 VCC 电容和供电二极管
集成续流二极管
3.3V 或 5V 输出电压
内部集乐成率管
集成高压启动和供电电路