µÂÓ®VWIN

µÂÓ®¡¤(VWIN)¹Ù·½ÍøÕ¾-ACÃ×À¼¹Ù·½ÏàÖúͬ°é Ä¿½ñλÖ㺣º Ê×Ò³ ²úÆ·ÖÐÐÄ>LEDÕÕÃ÷Çý¶¯Ð¾Æ¬>µ÷¹â>¿ª¹Ø¿É¿Ø¹èµ÷¹â
¼òÊö
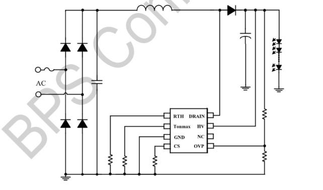
BP3276AHLÊÇÒ»¿î¸ßЧÂÊ¡¢¡¢¸ßPFÖµ£¬£¬Ö§³Ö¿É¿Ø¹èµ÷¹âµÄLEDÇý¶¯Ð¾Æ¬¡£Ð¾Æ¬ÊÂÇéÔÚµç¸ÐµçÁ÷ÁÙ½çÁ¬ÐøÄ£Ê½£¬£¬ÊÊÓÃÓÚBoost½á¹¹µÄ LED Çý¶¯µçÔ´¡£ BP3276AHLоƬÄÚ²¿¼¯³É500V¹¦ÂÊ¿ª¹Ø£¬£¬½ÓÄÉÕ¤¼«Çý¶¯ºÍ¸ßѹ¹©µç·½Ê½£¬£¬Ö»ÐèÒªºÜÉÙµÄÍâΧԪ¼þ£¬£¬¼´¿ÉʵÏÖÓÅÒìµÄºãÁ÷ÌØÕ÷£¬£¬¼«´óµÄ½ÚÔ¼ÁËϵͳ±¾Ç®ºÍÌå»ý¡£BP3276AHL¾ßÓжàÖØ± £»£»£»¤¹¦Ð§£¬£¬°üÀ¨LED¿ªÂ·± £»£»£»¤(¹ýѹ± £»£»£»¤)£¬£¬Ð¾Æ¬Î¶ȹýÈȵ÷ÀíµÈ¡£ BP3276AHL½ÓÄÉ SOP-8·â×°¡£
ÓÅÊÆ

    Ö§³Ö¿É¿Ø¹èµ÷¹â

    ÄÚÖà COMP ±Õ»·ºãÁ÷¿ØÖÆ

    ÄÚ²¿¼¯³É500V¹¦ÂʹÜ

    ÁÙ½çÁ¬ÐøµçÁ÷¿ØÖÆÄ£Ê½

    ¼¯³É 600V ¸ßѹ JFET¹©µç£¬£¬ÎÞVCC µçÈÝ

    ¡À5% LED Êä³öµçÁ÷¾«¶È

Ó¦ÓÃÁìÓò
  • LED ÇòÅݵÆ
  • LED À¯ÖòµÆ
  • ÆäËû LED ÕÕÃ÷
µä·¶Ó¦ÓÃÔ­Àíͼ
µÂÓ®¡¤(VWIN)¹Ù·½ÍøÕ¾-ACÃ×À¼¹Ù·½ÏàÖúͬ°é
·â×°
  • µÂÓ®¡¤(VWIN)¹Ù·½ÍøÕ¾-ACÃ×À¼¹Ù·½ÏàÖúͬ°é
ÊÖÒÕÎĵµ
ÎĵµÀàÐÍ ÎÊÌâ ÀàÐÍ ÎļþÏÂÔØ
¹æ¸ñÊé BP3276AHL pdf ÍêÕû°æ
µÂÓ®¡¤(VWIN)¹Ù·½ÍøÕ¾-ACÃ×À¼¹Ù·½ÏàÖúͬ°é
µÂÓ®¡¤(VWIN)¹Ù·½ÍøÕ¾-ACÃ×À¼¹Ù·½ÏàÖúͬ°é
µÂÓ®¡¤(VWIN)¹Ù·½ÍøÕ¾-ACÃ×À¼¹Ù·½ÏàÖúͬ°é
µÂÓ®¡¤(VWIN)¹Ù·½ÍøÕ¾-ACÃ×À¼¹Ù·½ÏàÖúͬ°é
¡¾ÍøÕ¾µØÍ¼¡¿