µÂÓ®VWIN

µÂÓ®¡¤(VWIN)¹Ù·½ÍøÕ¾-ACÃ×À¼¹Ù·½ÏàÖúͬ°é Ä¿½ñλÖ㺣º Ê×Ò³ ²úÆ·ÖÐÐÄ>LEDÕÕÃ÷Çý¶¯Ð¾Æ¬>µ÷¹â>¿ª¹Ø¿É¿Ø¹èµ÷¹â
¼òÊö
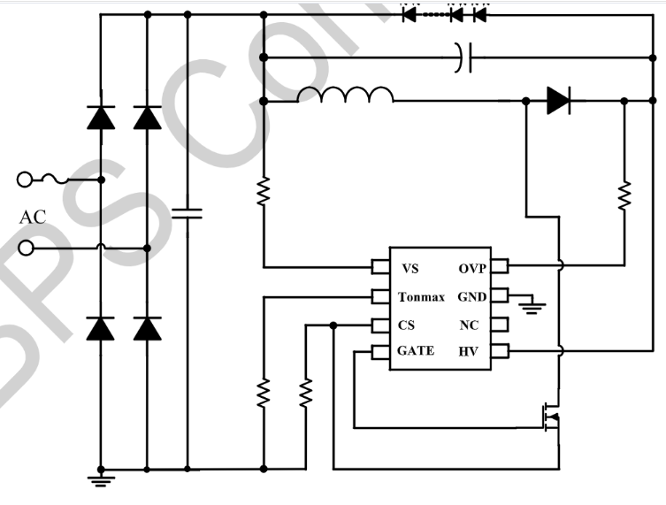
BP3288LÊÇÒ»¿î¸ßЧÂÊ¡¢¸ß PFÖµ£¬£¬£¬Ö§³Ö¿É¿Ø¹èµ÷¹âµÄLEDÇý¶¯Ð¾Æ¬¡£ ¡£¡£Ð¾Æ¬ÊÂÇéÔÚµç¸ÐµçÁ÷ÁÙ½çÁ¬ÐøÄ£Ê½£¬£¬£¬ÊÊÓÃÓÚ Buck-Boost ½á¹¹µÄ LED Çý¶¯µçÔ´¡£ ¡£¡£ BP3288LоƬ½ÓÄÉÕ¤¼«Çý¶¯ºÍ¸ßѹ¹©µç·½Ê½£¬£¬£¬Ö»ÐèÒªºÜÉÙµÄÍâΧԪ¼þ£¬£¬£¬¼´¿ÉʵÏÖÓÅÒìµÄºãÁ÷ÌØÕ÷£¬£¬£¬¼«´óµÄ½ÚÔ¼ÁËϵͳ±¾Ç®ºÍÌå»ý¡£ ¡£¡£ BP3288L¾ßÓжàÖØ±£»£»£»¤¹¦Ð§£¬£¬£¬°üÀ¨LED¿ªÂ·±£»£»£»¤(¹ýѹ±£»£»£»¤)£¬£¬£¬LED ¶Ì·±£»£»£»¤£¬£¬£¬Ð¾Æ¬Î¶ȹýÈȵ÷ÀíµÈ¡£ ¡£¡£
ÓÅÊÆ

    Ö§³Ö¿É¿Ø¹èµ÷¹â

    ÄÚÖà COMP ±Õ»·ºãÁ÷¿ØÖÆ

    ÁÙ½çÁ¬ÐøµçÁ÷¿ØÖÆÄ£Ê½

    ¼¯³É 600V ¸ßѹ JFET ¹©µç

    ÎÞ VCC µçÈÝ

    ¡À5% LED Êä³öµçÁ÷¾«¶È

Ó¦ÓÃÁìÓò
  • LED ÇòÅݵÆ
  • LED À¯ÖòµÆ
  • ÆäËû LED ÕÕÃ÷
µä·¶Ó¦ÓÃÔ­Àíͼ
µÂÓ®¡¤(VWIN)¹Ù·½ÍøÕ¾-ACÃ×À¼¹Ù·½ÏàÖúͬ°é
·â×°
  • µÂÓ®¡¤(VWIN)¹Ù·½ÍøÕ¾-ACÃ×À¼¹Ù·½ÏàÖúͬ°é
ÊÖÒÕÎĵµ
ÎĵµÀàÐÍ ÎÊÌâ ÀàÐÍ ÎļþÏÂÔØ
¹æ¸ñÊé BP3288L pdf ÍêÕû°æ
µÂÓ®¡¤(VWIN)¹Ù·½ÍøÕ¾-ACÃ×À¼¹Ù·½ÏàÖúͬ°é
µÂÓ®¡¤(VWIN)¹Ù·½ÍøÕ¾-ACÃ×À¼¹Ù·½ÏàÖúͬ°é
µÂÓ®¡¤(VWIN)¹Ù·½ÍøÕ¾-ACÃ×À¼¹Ù·½ÏàÖúͬ°é
µÂÓ®¡¤(VWIN)¹Ù·½ÍøÕ¾-ACÃ×À¼¹Ù·½ÏàÖúͬ°é
¡¾ÍøÕ¾µØÍ¼¡¿