µÂÓ®VWIN

µÂÓ®¡¤(VWIN)¹Ù·½ÍøÕ¾-ACÃ×À¼¹Ù·½ÏàÖúͬ°é current location£º Home Product Center>AC/DC Power Management IC>Non-Isolated Power Supply
Sketch
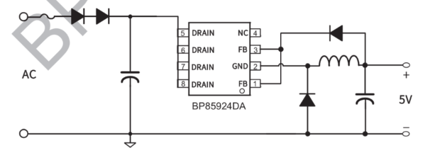
The BP85924DA is a high performance, highlyintegrated power supply switcher iC with low standbyconsumption. The BP85924DA can be configured asbuck, buck-boost topologies for universal 85~265VACinputs. The BP85924DA integrates a 650 V power MOSFET, ahigh-voltage current source for self-biasing, a currentsensing circuit, an output feedback circuit and acontroller.ExternalVCccapacitorand loopcompensation components can be eliminated, whichreduces cost and size of overall power systems, andimproves reliability.
Advantage

    Integrated vcC capacitor

    Integrated 650V power MOSFET

    Integrated high-voltage current source for selfbiasing

    50mW no load consumption at 230VAC

    Fixed 5V output

    Fast transient response and low output ripple

Application area
  • Home appliances
  • Motor driver standby power
  • loT, smart home, smart LED drivers
Schematic diagram
µÂÓ®¡¤(VWIN)¹Ù·½ÍøÕ¾-ACÃ×À¼¹Ù·½ÏàÖúͬ°é
Package
  • µÂÓ®¡¤(VWIN)¹Ù·½ÍøÕ¾-ACÃ×À¼¹Ù·½ÏàÖúͬ°é
Technical documents
Document type Title Type Download
Specification sheet BP85924DA pdf Full version
1748932038544
¡¾ÍøÕ¾µØÍ¼¡¿