德赢VWIN

德赢·(VWIN)官方网站-AC米兰官方相助同伴 current location: Home Product Center>AC/DC Power Management IC>Non-Isolated Power Supply
Sketch
BP85223AL is a high-performance, highly integrated, low standby power switching power supply driver chip, suitable for Buck and Buck-Boost converter topology applications with a full voltage input range of 85–265 VAC. The chip integrates a 1600V rectifier diode, a 550V high-voltage MOSFET, a high-voltage startup and self-power supply circuit, a current sampling circuit, a voltage feedback circuit, and a freewheeling diode.
Advantage

    Integrated 1600V rectifier diode, VCC capacitor, freewheeling diode, and feedback diode
    Internally integrated 550V high-voltage MOSFET
    Integrated high-voltage startup and self-supply circuit
    Built-in soft-start function
    Low standby power consumption: 50mW @ 230Vac
    Fixed 5V output

Application area
  • Auxiliary Power Supply for Small Household Appliances
  • Auxiliary Power Supply for Motor Drives
  • IOT / Smart Home / Intelligent Lighting
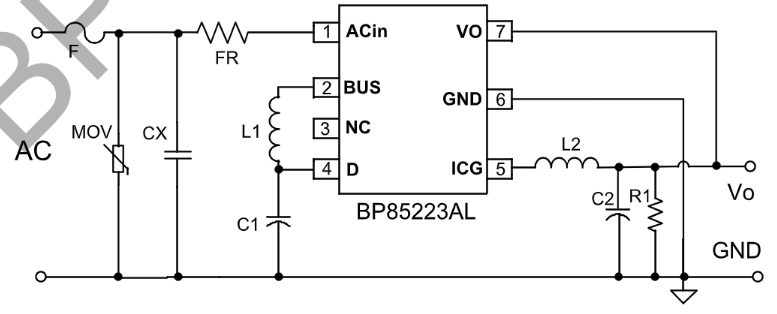
Schematic diagram
德赢·(VWIN)官方网站-AC米兰官方相助同伴
Package
  • 德赢·(VWIN)官方网站-AC米兰官方相助同伴
1748932038544
【网站地图】