德赢VWIN

德赢·(VWIN)官方网站-AC米兰官方相助同伴 current location:: Home Product Center>Motor Control And Drive IC>Motor Controller>Motor Driver
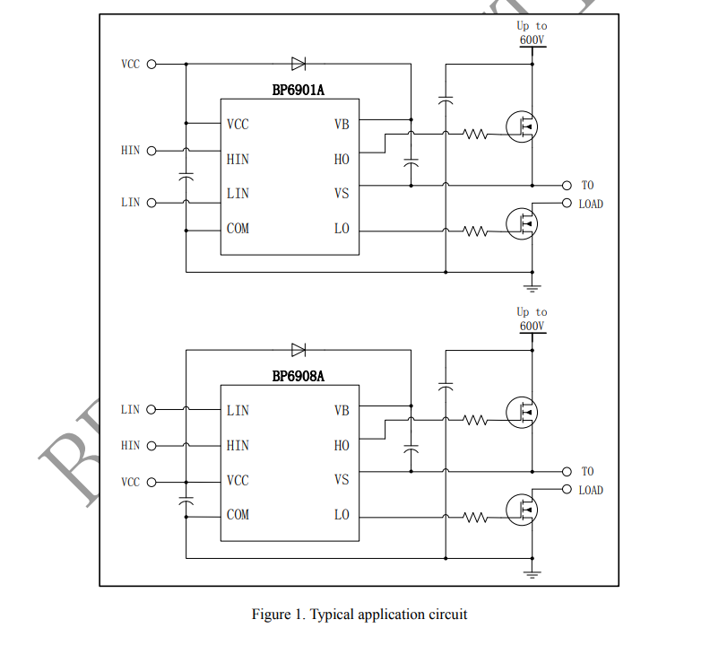
Sketch
The BP6901A/BP6908A is a high voltage, high speedhalf-bridge pre-driver for power MOSFET and IGBT.It has inputs for both high side and low side, and twooutput channels with internal dead time to avoidcross-conduction. The input logic level is compatible with 3.3V/5V/15Vsignal. The floating high side channel can drive a Nchannel power MOSFET or IGBT up to 600V.
Advantage

    Floating channel operation up to 600V

    Robust at negative transient voltage

    Gate drive supply range from 10V to 20V

    3.3V, 5V and 15V input logic compatible

    UVLO for both high side and low side

    Built-in 100ns dead time

    Available in SOP8 package

Schematic diagram
德赢·(VWIN)官方网站-AC米兰官方相助同伴
Technical documents
Document type Title Type Download
Specification sheet BP6901A pdf Easy version Full version
1748932038544
【网站地图】